
- Baustoffkatalog
- nach freeClass Klassifikation
- Tiefbau, Erdarbeiten, Entsorgung
- Rohbau, Konstruktion, Dach
- Beton
- Schalungsmaterial
- Baustahl, Bewehrung
- Ziegelmauerwerk / Mauersteine
- andere Massivbaustoffe
- Bindemittel, Mauermörtel
- Sturzüberleger, Deckenelemente
- Holz
- Dachdeckung Tondach
- Dachdeckung - Betondachsteine
- Dachdeckung Metall
- Dachschindeln
- Lichtwell- und Wellplatten
- Dacheindeckung - Zubehör
- Dachentwässerung, Abläufe
- Kamine
- Alle anzeigen
- Dämmung, Putz, Abdichtung
- Innenausbau (Boden, Wand, Decke)
- Boden-/Wandbeläge, Bauelemente
- Aussenanlagen, Garten
- Heizung, Sanitäre, Lüftung, Elektro
- Bauchemische Produkte
- Werkzeug, Baustelleneinrichtung, Befestigung
- Logistik, Gerät, Subunternehmer, Sonstiges
- Erneuerbare Energie
- nach Lieferanten
- A-E
- ACO GmbH
- AET Entwässerungstechnik GmbH
- Alpacem Zement Austria GmbH
- Ampack Handels GmbH
- ARDEX Baustoff GmbH
- Austrotherm
- Avenarius-Agro GmbH
- Bachl Karl Ges.m.b.H.
- Baumit GmbH
- BG-Graspointner GmbH
- BMI Austria GmbH
- BOTAMENT Systembaustoffe
- Büsscher & Hoffmann GmbH
- Capatect Baustoffindustrie GmbH
- CERESIT
- CIMSEC
- Domoferm GmbH & Co KG
- Ebenseer GmbH
- Eclisse GmbH
- Etex Building Performance GmbH
- European Staal Neptun GmbH
- Alle anzeigen
- F-J
- Finalit Komplett-Steinpflege GmbH
- Fischer Austria GmbH
- Flatz GmbH
- Friedl Steinwerke GmbH
- GEOplast Kunststofftechnik GmbH
- Goidinger
- Gutjahr
- HABA-BETON
- Hain-System-Bauteile GmbH & Co. KG
- Hauraton
- Holcim (Österreich) GmbH
- ISOLITH M. Hattinger Ges.m.b.H.
- JACKON Insulation GmbH
- Jacobi Tonwerke GmbH
- James Hardie Austria GmbH
- Alle anzeigen
- K-N
- Kettinger Vliesvertrieb GmbH
- Klöber (BMI Austria GmbH)
- Knauf GmbH
- Knauf Insulation GmbH
- LANG Ing. Hans
- LEIER Baustoffe
- Leitl Beton GmbH & Co KG
- Leitl Spannton GmbH
- Leube Zement GmbH
- Lias Österreich GesmbH
- Lithofin
- MEA Bausysteme GesmbH
- MEA Entwässerungssysteme
- MeierGuss
- MeierGuss Österreich
- Min2C GmbH
- Minka Holz- und Metallverarbeitungs
- Alle anzeigen
- O-R
- S-V
- Saint-Gobain Austria GmbH - ISOVER
- Saint-Gobain Austria GmbH - RIGIPS
- Saint-Gobain Austria GmbH - WEBER
- SCHERF GmbH & Co KG
- Schiedel GmbH
- SCHLÜSSELBAUER Geomaterials GmbH
- Schuller Eh'klar
- Senftenbacher Ziegelwerk
- Sika Österreich GmbH
- Sika Österreich GmbH
- Solmax Austria GmbH
- Sopro Bauchemie GmbH
- Soudal Österreich GmbH
- Stauss-Perlite GmbH
- Steinbacher Dämmstoff GmbH
- SW Umwelttechnik
- swisspor Österreich GmbH & Co KG
- TECWARE
- TIBA AUSTRIA GmbH
- Velox
- Alle anzeigen
- W-Z
- A-E
- nach freeClass Klassifikation
- Services
- Informationen
- 10 Tiefbau, Erdarbeiten, Entsorgung
- 1005 Schüttmaterial, Sand, Kies
- 1010 Asphalt
- 1020 Geotextilien
- 1025 Gelände-Entwässerungssysteme
- 102510 Rinnensysteme
- 10251005 Rinnenkörper
- 10251010 Rinnenkörper-Sicherheitsrinne
- 10251015 Schwerlast-Rinnenkörper
- 10251020 Rinnenkörper Flachrinne
- 10251025 Rinnenroste
- 10251030 Rinnen-Einlaufkasten
- 10251035 Schlitzrahmen
- 10251040 Rinnen-Stirnwand
- 10251045 Rinnenstirnwand Flachrinne
- 10251050 Bodenwanne
- 10251055 Rinnenrostarretierung
- 10251060 Rinnenübergangsstück
- 10251065 Adapter Fließrichtungswechsel
- 10251075 Schlammeimer f. Rinnensinkkasten
- 102515 Punktentwässerungssysteme
- 102520 monolithische Rinnensysteme
- 102530 Schlitzrinnensysteme
- 102535 Zubehör Rinnensysteme
- 10253505 Geruchsverschluss Rinnensystem
- 10253510 Revisionsaufsatz Rinnensystem
- 10253515 Gussaufsatzelemente
- 10253520 Dichtungsmaterial Rinnenanschluss
- 10253525 Haftprimer Rinnenanschluss
- 10253530 Halteklammern Rost
- 10253535 Kiesleiste Rinnensystem
- 10253540 Revisionsschacht Rinnensystem
- 10253550 Rohrstutzen Rinnenanschluss
- 10253555 Ablaufadapter (Rohranschluss)
- 10253560 Dichtung Bodenablauf
- 10253565 Adapterplatte
- 10253570 Verschraubung Rinnensystem
- 10253575 Einbaustütze Rinnensystem
- 10253580 Bauzeitabdeckung Rinnensystem
- 102540 Drainagerohre
- 10254005 Drainage-/Sickerrohre Kunststoff
- 10254020 Verbindungsmuffe
- 10254030 Dichtring
- 10254035 Verschlußstopfen
- 10254040 Verschlußkappe
- 10254045 Reduktionsmuffe
- 10254050 Winkelstück
- 10254060 T-Stück / Winkelanschluss
- 10254062 Abzweiger
- 10254065 Auslaufstück
- 10254067 Anschlußstück
- 10254070 Übergangsstück
- 102550 Gelände-Versickerungselemente
- 10255005 Drainageversickerungselement
- 10255010 Drainage-Filterelement
- 10255015 Geländeversickerungsschacht
- 10255020 Regenwasserspeicherblöcke
- 10255022 Grundplatte Regenversickerung
- 10255025 Front/ Endplatte
- 10255028 Be- und Entlüfter, Notüberlauf
- 10255030 Entlüftungsplatte
- 10255040 Schmutzfänger
- 10255055 Blockverbinder
- 102510 Rinnensysteme
- 1030 Kanalisation, Rohrleitungen
- 103005 Kanalschächte Beton
- 103010 Kanalschächte Kunststoff
- 10301004 Ablaufkrümmer Energiedrosselschacht
- 10301005 Kontroll- /Modulschächte
- 10301007 Stopfen (Schacht)
- 10301012 Schachtanschluss Kunststoff
- 10301015 Schachtkonus
- 10301020 Schachtring
- 10301025 Schachtboden
- 10301040 Schachtverlängerung
- 10301047 Verlängerungsrohr Schacht
- 10301057 Auflagerring
- 10301065 Schachtunterteil
- 10301080 Dichtung
- 10301087 Seilschlaufe
- 10301090 Schlammeimer
- 103015 Kanalrohre und Formstücke Kunststoff
- 10301505 Kanalrohre Kunststoff
- 10301520 Bogen Kunststoffrohr
- 10301525 Abzweiger Kunststoffrohre
- 10301530 Kugelgelenk
- 10301535 Übergangsrohr
- 10301540 Muffe
- 10301545 Muffenstopfen
- 10301550 Kanalrohranschluss Beton- /Stahlbeton-/Steinzeugrohr
- 10301565 Kanalrohranschluss Betonschacht
- 10301570 Kanalrohr- Putzstück
- 10301575 Schachtanschlußrohr
- 103017 Kanalrohre Kunststoff - Zubehör
- 10301710 Flanschdichtung
- 10301715 Gleitmittel PVC- Rohr
- 10301730 Kanalrohrdichtung
- 10301735 Rohrleitungsübergang (Kunststoffrohr)
- 10301740 Kanal/ Schachtfutter
- 10301745 Verlängerung Schachtfutter
- 10301770 Rückstauklappe
- 10301772 Anschlußstück Anschlussleitung
- 10301775 Ersatzteile Kanalrohre Kunststoff
- 103020 Kanalrohre und Formstücke Beton
- 103040 Schachtabdeckungen
- 103045 Kanaleinläufe und -Deckel
- 10304508 Kabelschacht
- 10304510 Rückstauklappe
- 10304512 Kabelschachtabdeckung
- 10304515 Rohrgeruchsperre
- 10304527 Zubehör Abläufe
- 10304555 Regenrohrablauf/ Regenwasserablauf
- 10304560 Strassen-/Hofeinlaufgitter Muldenform
- 10304565 Strassen-/Hofeinlaufgitter Pultform
- 10304570 Strassen-/Hofeinlaufgitter Rinnenform
- 10304580 Geruchsverschluss
- 10304585 Rahmen
- 103047 Straßen- /Hofabläufe
- 10304705 Hofablauf
- 10304706 Straßenablauf
- 10304725 Brückenablauf
- 10304730 Strassen-/Hofablauf - Einlaufboden
- 10304740 Strassen-/Hofeinlauf Schaft-Ring
- 10304742 Strassen- /Hofablauf Aufstockelement
- 10304745 Ausgleichselement
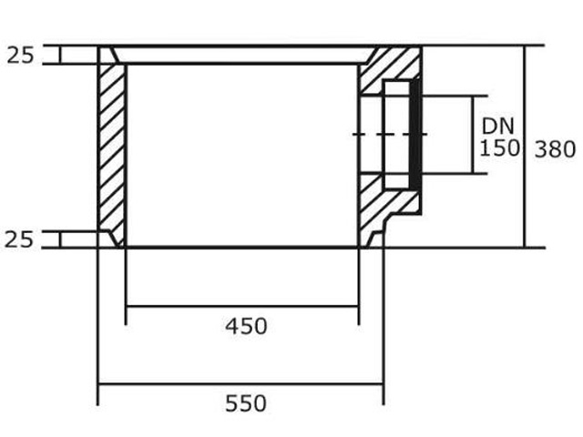
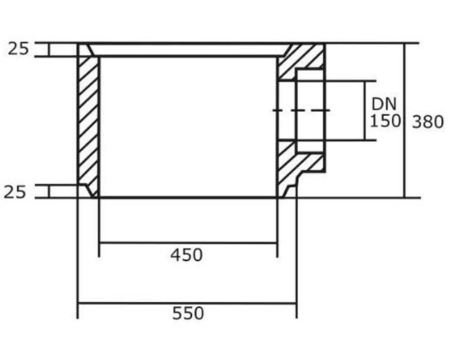
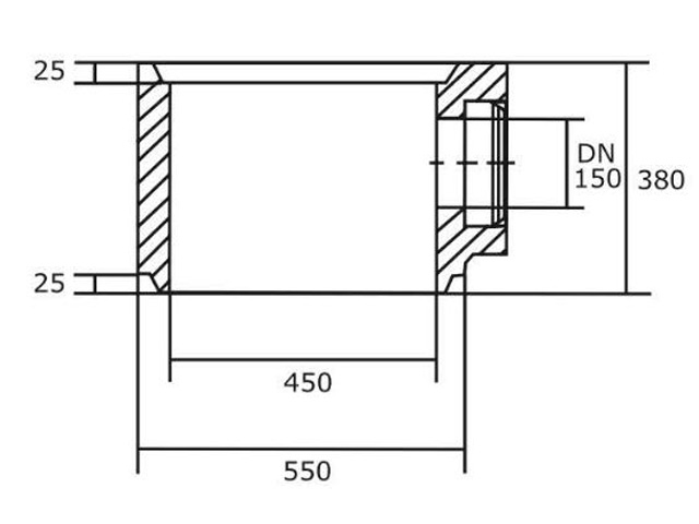
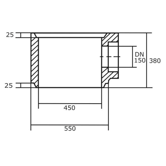
- 10304750 Strassen-/Hofablaufkasten komplett
- 10304765 Strassen-/Hofeinlauf-Aufsatz
- 10304770 Schmutzfang-Eimer für Strassen-/Hofeinläufe
- 103050 Kanalguss - diverse
- 103055 Abscheideanlagen
- 103060 Pump- und Sickerschächte
- 103065 Kleinkläranlagen
- 103070 Regen-/Trinkwasserspeicher
- 103075 Kabelschutz
- 10307505 Kabelkanalrohre
- 10307510 Kabelschutzrohr Stange
- 10307512 Kabelschutzrohr flexibel, gewellt
- 10307520 Steckmuffe Kabelschutz
- 10307522 Überschiebmuffe
- 10307527 Klemmschelle
- 10307530 Dichtring
- 10307535 Abdichtmasse
- 10307537 Montageband
- 10307540 Endstopfen
- 10307545 Verschlußkappe
- 10307550 Winkelstück (Bogen)
- 10307552 Winkelstück (Bogen) flexibel
- 10307560 Kabelrohr- Abstandhalter
- 10307565 Kabelabdeckplatten
- 10307575 Übergangsmuffe
- 10307590 LWL Kabelschutzrohr
- 10307596 LWL Microrohr Verbindungsmuffe
- 10307597 Endkappe LWL Microrohr
- 103080 Rohrdurchführung
- 103090 Gasleitungsrohre und Formstücke
- 1040 Entsorgung, Recycling (ohne Transport)
- 12 Rohbau, Konstruktion, Dach
- 1205 Beton
- 120505 Beton lt. B4710-1
- 120510 Sonderbeton
- 120520 Betoninstandsetzung
- 12052005 Betonhaftbrücke
- 12052010 Spachtelmassen auf Zementbasis
- 12052015 Imprägnierung Beton
- 12052020 Spachtelmassen auf Kunststoffbasis
- 12052025 Reprofiliermörtel
- 12052030 Betonschutzanstrich
- 12052035 Korrosionsschutz Stahlbeton
- 12052040 Sockelspachtel
- 12052045 Schutzanstrich Ölschutz
- 12052050 Graffitischutzbeschichtung
- 1210 Schalungsmaterial
- 1215 Baustahl, Bewehrung
- 1220 Ziegelmauerwerk / Mauersteine
- 122010 Tonziegel
- 12201005 Hochlochziegel (HLZ)
- 12201010 Planziegel Hochlochziegel (HLZ Plan)
- 12201015 Zwischenwandziegel
- 12201025 Kleinformat, NF
- 12201035 Schallschutzziegel verfüllbar
- 12201040 Schallschutzziegel voll / Hochloch
- 12201050 Deckenummauerung Rostziegel
- 12201080 Weinlagerziegel
- 12201085 Planziegel mit Kerndämmung
- 122015 Ziegel Glas, Klinker
- 122020 Mauersteine Blähton (Leca/Liapor)
- 122030 Betonsteine
- 122010 Tonziegel
- 1225 andere Massivbaustoffe
- 1230 Bindemittel, Mauermörtel
- 123005 Gips
- 123010 Kalk
- 123015 Zement
- 123020 Hydraulische Bindemittel
- 123030 Zusatzstoffe
- 123040 Mauermörtel
- 12304010 Mauermörtel
- 12304015 Klinkermörtel
- 12304017 Spezialmörtel Sichtmauerwerk
- 12304020 wärmedämmender Mauermörtel
- 12304025 Hafnermörtel
- 12304027 Kaminschleifmörtel
- 12304030 Quellmörtel (Trockenmörtel)
- 12304035 Hinterfüllmörtel
- 12304040 Anlegemörtel
- 12304050 Planblockziegel Kleber
- 12304055 Mauermörtel Porenbeton
- 12304060 Hohlkehlenmörtel
- 1235 Sturzüberleger, Deckenelemente
- 1240 Holz
- 1245 Dachdeckung Tondach
- 124505 Flachdachziegel
- 124510 Falzziegel
- 124515 Doppelmuldenfalzziegel
- 124520 Biberschwanzziegel
- 124522 Dachdeckung Glattziegel Ton
- 124525 Mönch- und Nonnendeckung
- 124530 Reformziegel
- 124535 Romanischer Dachziegel
- 12453505 Romanischer Ziegel
- 12453515 Firstanschluss-Lüfterziegel
- 12453525 Firstanschluss- Lüfter- Ortgang
- 12453530 Ortgang-Ziegel Ton
- 12453540 Doppelwulstziegel Ton
- 12453545 Lüfterziegel
- 12453550 Traufziegel
- 12453555 Traufziegel- Ortgang
- 12453560 Traufziegel- Doppelwulstziegel
- 12453565 Dachdurchgangsziegel Ton
- 12453570 Schneesicherung
- 124540 Herzziegel
- 124545 Firstziegel/ Zubehör
- 12454505 Firstziegel halbrund
- 12454510 Firstziegel Falzfirst
- 12454515 Firstziegel Anfang / Ende
- 12454517 Firstscheibe Anfang/Ende
- 12454520 Pultdach- Firstziegel
- 12454525 Pultdach- Firstziegel Anfang / Ende
- 12454535 Tonfirstscheibe
- 12454540 Gratanfänger
- 12454542 Gratverteiler Tondach
- 12454545 Walmkappe Ton
- 12454550 Firstklammer
- 12454555 Firstklammer Pultdachfirst
- 12454560 Firstlattenhalter
- 12454565 Firstschmuck
- 124550 Tondachstein Zubehör
- 1250 Dachdeckung - Betondachsteine
- 1253 Dachdeckung Metall
- 1255 Dachschindeln
- 1260 Lichtwell- und Wellplatten
- 1265 Dacheindeckung - Zubehör
- 1270 Dachentwässerung, Abläufe
- 127005 Dachrinnen, Abläufe
- 12700505 Dachrinnen
- 12700506 Rinnenhalter
- 12700507 Rinnenecke
- 12700510 Regenfallrohre
- 12700514 Einlaufkasten Ecke
- 12700515 Rinnenablauf
- 12700517 Rinnenendstück
- 12700520 Verbindungsblende
- 12700522 Rinnen-Dilatationselement
- 12700525 Regenwasserklappe
- 12700526 Rinnenlaubfang
- 12700530 Laubfangkorb
- 12700535 Regenrohrabzweiger
- 12700545 Regenrohrbogen
- 12700547 Winkelstück Regenrohr
- 12700550 Regenwasserspeier
- 12700555 Regenfallfolie
- 12700560 Fallrohrmuffe
- 12700565 Reduktion Regenfallrohr
- 12700567 Standrohrkappe
- 12700572 Profilverbinder
- 127010 Montagezubehör
- 127015 Drainagerinnen, Fassadenrinnen
- 12701507 Eckelement Schlitzrinne
- 12701510 Fassadenrinne
- 12701512 Eckelement Fassadenrinne
- 12701520 Rinnenroste
- 12701525 Gullyaufsatz Terrasse/Flachdach
- 12701530 Ausgleichselement Rinnenkörper
- 12701535 Rinnenübergangsstück
- 12701550 Fußschieber
- 12701555 Drehfuß f. Fußschieber
- 12701560 Rinnen- Stirnwand
- 12701565 Rostsicherung
- 12701570 Flachendrainage - Punktentwässerung
- 12701572 Stichkanal
- 12701575 Ablaufteil
- 12701580 Revisionsschacht Rinnenkörper
- 127005 Dachrinnen, Abläufe
- 1275 Kamine
- 127505 Edelstahlkamin
- 127510 Fertigteilkamin
- 127515 Isolierkamin
- 12751505 Mantelstein
- 12751510 Mantelstein mit Lüftung
- 12751515 Schamotterohr
- 12751520 Grundpaket
- 12751525 Dämm- Schüttmaterial Kamin
- 12751530 Isolierschale
- 12751535 Fertigfuss
- 12751540 Kaminkopf FT (Iso)
- 12751545 Rauchrohranschluss
- 12751548 Rauchrohrstutzen
- 12751550 Kamin-Isoliermörtel
- 12751560 Tragplatte
- 127520 Zubehör
- 12752005 Putztür
- 12752007 Putztüranschluss
- 12752010 Revisionstüre
- 12752015 Kamintürschlüssel
- 12752020 Kaminkopfmörtel
- 12752025 Kaminhalter
- 12752030 Montagepunkt Kamin
- 12752035 Abdeckplatte Kamin
- 12752037 Regenhaube Kamin
- 12752040 Anschlussadapter Brennwertgeräte
- 12752045 Explosionsklappe /Zugbegrenzer
- 12752055 Kondensatsammler
- 12752065 Pass-Stück
- 12752070 Dachdurchgang Kamin
- 12752080 Schamotteplatten
- 12752090 sonstige Zubehörteile Isolierkamin
- 12752098 Kamin Blitzschutzanschluss
- 12752099 Kamin Abdeckungen-Zubehör
- 1205 Beton
- 14 Dämmung, Putz, Abdichtung
- 1405 Bauwerksabdichtung
- 140505 Bitumen
- 14050505 Bituminöse Beschichtungsmasse
- 14050510 Bituminöser Anstrich
- 14050515 Bituminöse Fugenabdichtung
- 14050520 Bitumenbahnen
- 14050525 Bitumenschmelz-/ schweißbahnen
- 14050530 Bitumenkaltkleber
- 14050535 Bitumenheißkleber
- 14050540 Bitumen-Voranstrich
- 14050545 Unterlagsstreifen bituminöse Dachbahn
- 14050590 Bitumen Einstreuung
- 140510 Dichtbänder
- 14051005 Dichtbänder
- 14051010 Dicht-Fugenbänder
- 14051015 Fugenband- Kleber
- 14051020 Fugenband- Klemmen
- 14051025 Arbeitsfugenband
- 14051030 Dehnungsfugenband
- 14051035 Quellfugenband
- 14051045 Fugenband verzinkt
- 14051050 Silofugenband
- 14051060 Zubehör Fugenband
- 14051065 Klemmfugenband
- 14051070 Fugenblech
- 140520 Flächenabdichtungsbahnen
- 140525 Material zur Flächenabdichtung
- 140530 Dichtmanschetten, Passteile
- 140505 Bitumen
- 1410 Dämmstoffe (Bau)
- 141005 biologische Dämmstoffe
- 141010 mineralische Dämmstoffe
- 14101005 Holzspan- Dämmplatten einschichtig
- 14101010 Holzspan- Dämmplatten zweischichtig
- 14101015 Holzspan- Dämmplatten kerngedämmt
- 14101017 Holzwolle- Dämmplatten einschichtig
- 14101018 Holzwolle- Dämmplatten mehrschichtig
- 14101020 MW- Gebäudetrennfugenplatte
- 14101025 Kassettendämmung Mineralwolle
- 14101030 Mineralwolle - Fassadendämmplatte WDVS
- 14101035 Mineralwolle-Dämmplatte hinterlüftete Fassaden
- 14101040 Mineralwolle Dämmplatte (innen)
- 14101045 Mineralwolle Dämmfilz
- 14101050 Mineralwolle Dämmplatte (Dachdämmplatte)
- 14101060 Mineralwolle Dämmplatte (Kellerdeckendämmplatte)
- 14101065 Fugenschlauch
- 14101068 Stopfwolle mineralisch
- 14101070 Akustik- Sickenfüller
- 14101075 Mineralschaumdämmplatte
- 14101080 Kalziumsilikatdämmplatte
- 14101090 Aerogel-Mineralfaser Dämmplatte
- 14101095 Expandierte Perlite Dämmplatte
- 141015 Polyurethan (PU)
- 141020 expandiertes Polystyrol EPS
- 14102005 EPS-T Trittschalldämmplatten
- 14102007 EPS-T-plus Trittschalldämmplatten
- 14102008 EPS Trittschalldämmung Verbundrolle
- 14102010 EPS-F Fassadendämmplatten
- 14102012 EPS-F-plus Fassadendämmplatten
- 14102015 EPS-W Platten
- 14102017 EPS-W-plus Platten
- 14102020 EPS Automatenplatten geschlossenzellig
- 14102022 EPS-plus- Automatenplatten geschlossenzellig
- 14102030 EPS Gefälle-Dämmplatten
- 14102032 EPS-plus Gefälle-Dämmplatten
- 14102035 EPS-Drainageplatten
- 14102080 Aufpreis Kantenausbildung
- 14102090 Polystyrol Formteile
- 141025 extrudiertes Polystyrol XPS
- 141030 Schaumglas
- 141035 Resolhartschaum
- 141040 Schallschutzdämmstoffe
- 14104020 Mineralwolle Akustikplatte
- 14104025 Akustikfilz Kunststoff
- 14104035 EPS- Trittschalldämmbahn
- 14104050 Trittschalldämmplatte Mineralwolle
- 14104055 Trittschalldämmplatte Holzfaser
- 14104057 Kunststoff-Trittschall-Dämm-Matten
- 14104060 Trittschallentkopplungsplatte
- 14104070 Estrichranddämmstreifen
- 14104075 Schallabsorptionselemente
- 141045 Dämm-Schüttmaterial
- 141055 Wand- und Fassadenpaneele
- 141060 Dämmelemente
- 1415 Putz und Fassade
- 141505 Grundputz / Einlagenputz
- 14150505 Grundputz Gips
- 14150510 Grundputz Kalk-Gips
- 14150512 Grundputz Kalk
- 14150515 Grundputz Kalkzementgebunden
- 14150520 Grundputz Zementgebunden
- 14150525 Trass-Kalk-Grundputz
- 14150530 Kalkzement-Leichtgrundputz
- 14150535 Kalk-Gips-Leichtgrundputz
- 14150540 Kalk-Leichtgrundputz
- 14150545 Schlitzputz
- 14150550 Grundputz Gips- Kalk- Zement
- 14150555 Profilschnellmörtel
- 141510 Dämmputz
- 141515 Vorspritzer, Putzgrundierungen
- 141520 Sanierputze
- 141525 Armierungsgewebe, Putzträger
- 141530 Klebe-/Spachtelmassen; WDVS
- 14153005 WDVS-Klebespachtel mineralisch
- 14153010 WDVS-Klebespachtel kunstharzgebunden
- 14153015 Klebe/Armierungsmasse mineralisch
- 14153020 Putzausgleichsspachtel
- 14153025 Rißspachtelmasse
- 14153030 Fugenmasse Dämmplatten
- 14153035 Haftmörtel Kalkzement
- 14153040 Haftmörtel Zement
- 14153045 WDVS Bitumenkleber
- 14153050 Ansetzbinder Putzschienen
- 14153055 Spachtelmasse Gips
- 14153060 WDVS Primer
- 141535 Endbeschichtungen (Dünnputz)
- 14153505 Endbeschichtung Kunstharzgebunden
- 14153515 Endbeschichtung Silikatgebunden
- 14153520 Endbeschichtung silikonharzgebunden
- 14153525 mineralische Endbeschichtung
- 14153530 mineralischer Kellenwurfputz
- 14153535 Oberflächenverfestigung
- 14153540 Grundierung Putze
- 14153545 Farbzuschlag Putze
- 14153550 Endbeschichtung Gipsputz
- 14153555 Dekorbeschichtung Deckputz
- 14153560 Streichputz
- 14153565 Buntsteinputz
- 141540 WDVS-/Putzprofile
- 14154005 Kantenschienen
- 14154007 Eckschutzprofil mit Gewebe
- 14154010 Kanten-Rundbogen
- 14154012 Putzkanten
- 14154015 Putzkanten Drahtrichtwinkel
- 14154017 Schnellputzleisten
- 14154020 Dehnfugenprofile
- 14154022 Bewegungsfugenprofile
- 14154025 Fugendichtband
- 14154030 Lüftungsprofil WDVS Dachanschluß
- 14154035 Abschlussprofil (Sockel)
- 14154037 Sockelschienenverbinder
- 14154040 Putzan-/Putzabschlussprofil
- 14154042 Putzanschlussprofil Verblechungen
- 14154045 Gewebeanschlussprofile
- 14154047 Anputzleisten
- 14154050 Tropfkantenprofil mit Gewebe
- 14154055 WDVS-Sockelprofil
- 14154057 Schienen-Wanddistanzstück
- 14154060 Gewebeanschluß Sockelschiene
- 14154065 WDVS- Sockelprofil- Verlängerung
- 141548 Fenster- Sohlbank- Profile
- 141550 Fassaden-Dekoelemente
- 141552 Zubehör- Fassadenprofile
- 141555 Reiniger
- 141560 Abbeizmittel
- 141505 Grundputz / Einlagenputz
- 1420 Folien, Dampfbremsen, Schallschutzbahnen
- 1405 Bauwerksabdichtung
- 16 Innenausbau (Boden, Wand, Decke)
- 1605 Fussboden konstruktiv
- 1610 Trockenbau konstruktiv (Wand/Decke)
- 161005 Gipskartonplatten
- 161010 Gipskarton Feuer-/Strahlenschutzplatten
- 161012 Gipskarton Schallschutzplatten
- 161015 Gipsfaserplatten
- 161020 zementgebundene Bauplatten, Sandwichpaneele
- 161025 Trockenbau-Wandprofile
- 16102505 C-Wandprofil
- 16102510 CW-Ständerprofil
- 16102515 MW-Ständerprofil
- 16102520 UW-Randprofil
- 16102525 UA-Profile
- 16102530 UD-Profile
- 16102535 Winkelprofil
- 16102540 Wandprofil gebogen
- 16102550 Hutprofil TKB
- 16102555 Abdeckprofil für Hutprofil
- 16102560 Federschiene TKB
- 16102565 Trapezprofil
- 16102570 U- Profil
- 161030 Deckenprofile
- 161035 Decken-Abhänger
- 16103510 Schnellspannabhänger
- 16103520 Noniusabhänger
- 16103525 Direktabhänger
- 16103527 Schwingbügel
- 16103530 Direktmontageclip
- 16103532 Profilverbinder / Verbindungswinkel
- 16103535 Ankerwinkel
- 16103537 Ankerhänger
- 16103540 Drahtabhänger
- 16103542 Doppelfeder f. Draht
- 16103550 Klemm-Abhänger
- 16103552 Wandanschlußschuh f. Träger
- 16103555 Anschlusswinkel
- 16103565 Federn f. Rasterdecken
- 16103580 Halteklammer
- 16103585 Dämmmatten-Aufhänger
- 161040 Gipskartondecken
- 161045 Akustikdeckensysteme
- 161055 Verbundelemente mit Dämmstoffauflage
- 161060 Sanitär-Einbauteile
- 161065 Spachtelgips, TKB-Zubehör
- 16106505 Grundierung Trockenbau / Trockenputz
- 16106507 GK-Platten-Montagekleber
- 16106510 Fugenspachtelgips
- 16106515 Gips-Feinspachtelmasse
- 16106517 Gipsplattenfugenmasse
- 16106520 Glasfaserbewehrungsstreifen
- 16106525 Glasgitterbewehrungsstreifen
- 16106527 Papierbewehrungsstreifen
- 16106530 Kantenschutz - Rolle
- 16106535 Trennstreifen Wandanschluss
- 16106537 Anschluss-Dichtbänder
- 16106540 Gipskartonfaservlies
- 16106545 Vliesaufdopplung
- 16106550 Trennwandkitt
- 16106552 Montagehilfenset Lochplatten GK
- 16106555 Ableitbänder und -Bleche
- 16106557 Walzbleistreifen
- 16106560 Strahlenschutzkappen Trockenbau
- 1615 Schienen, Klappen, Einbauteile
- 161520 Schienen und Profile Trockenbau
- 16152005 Winkelprofil
- 16152010 Kantenprofil
- 16152015 An-/Abschlussprofil
- 16152020 Eckschutzschiene TKB
- 16152030 Inneneckprofil TKB
- 16152035 Ausseneckprofil TKB
- 16152045 Schattennutprofil TKB
- 16152050 Einfassprofil TKB
- 16152060 Fugenabdeckprofil TKB
- 16152065 Rundbogenprofil
- 16152085 Kantenschutz flexibel
- 16152090 Sockelblenden
- 161560 Revisionsklappen und -Rahmen
- 161520 Schienen und Profile Trockenbau
- 1620 natürlich-biologische Baustoffe
- 1625 Brandschutz
- 18 Boden-/Wandbeläge, Bauelemente
- 1805 Farben, Lacke, Holzschutz
- 180510 Wandfarben innen und aussen
- 18051005 Wandfarben mineralisch
- 18051010 Wandfarben silikonharzgebunden
- 18051015 Wandfarben kunstharzgebunden
- 18051020 Betonfarbe
- 18051025 Vollton-/Abtönfarben
- 18051030 Deko-Pigmente
- 18051035 Wand- und Fassadenimprägnierung
- 18051040 Lasur innen / aussen
- 18051045 Leinölfarbe
- 18051050 Lehmfarbe
- 18051055 Schlämmanstrich
- 18051060 Grundierung Wandfarben
- 18051065 Isolier- und Sperrgrund
- 18051070 Isolierfarbe
- 18051075 elektrisch leitfähige Wand-/ Bodenbeschichtung
- 18051080 Farbverdünnung
- 18051085 Farbzuschlag Farbe
- 18051090 Acrylfarben
- 180520 Lacke
- 180525 Lacke - Ergänzungsmaterial
- 180530 Markierfarben, Strassenmarkierfarben
- 180550 Dachanstriche
- 180570 Holzschutz, Holzoberflächen
- 180575 Holzleime
- 180510 Wandfarben innen und aussen
- 1810 Boden-/Wandbeläge
- 181010 Ausgleichs-/ Feinspachtelmassen
- 181015 Bodenbeschichtungen und Lasuren
- 18101505 Grundierung Bodenbeschichtung
- 18101510 Bodenbeschichtungen
- 18101520 Bodenversiegelung auf Beschichtung
- 18101525 Schwimmbadfarbe
- 18101530 Einstreuchips
- 18101535 Rutschhemmer (Boden)
- 18101540 Kunstharz- Rissverpressung
- 18101545 PU- Schaum Rissverpressung
- 18101550 Hilfsmittel Injektionen
- 18101555 Einstreusand
- 18101560 Asphaltkosmetik
- 181020 dekorative Wandbeschichtungen
- 181025 Fliesenkleber, Plattenverlegemörtel
- 181030 Grundierungen, Fugen-/Dichtmassen
- 181065 Schienen, Zubehör für Fliesen und Plattenbeläge
- 181080 Holzböden, Laminat
- 181087 Bodenbeläge Zubehör
- 181095 Belagskleber, Montagekleber
- 1815 Belagsträger und Anschlußschienen Boden/Wand
- 181510 Flächendrainage
- 181520 Belagsträger
- 181530 Belagsträger-Zubehör, Schienen
- 18153005 Abschlussprofil
- 18153007 Übergangsprofil
- 18153010 Lochwinkel
- 18153015 Entkoppelungsprofil
- 18153020 Profilverbinder
- 18153025 Blendenverbinder
- 18153030 Profilblenden
- 18153035 Eckelement Blenden
- 18153045 Aufkantungsklips
- 18153050 Eckprofile
- 18153060 Lüftungsprofil Belagsträger
- 18153065 Randdämmstreifen
- 18153070 Stoßabdeckband
- 18153080 Treppenwinkel
- 1820 Fenster, Lichtschächte
- 182005 Wohnraumfenster
- 182010 Kellerfenster
- 18201005 Leibungsrahmen/Zargen
- 18201010 Kellerfensterflügel
- 18201015 Nebenraumfenster
- 18201020 Heizraumfenster
- 18201025 Kellerfenster Kunststoff
- 18201030 Stahlkellerfenster
- 18201035 Dämmungsanschlußprofil Kellerfenster
- 18201060 Kellerfenster Fensterbankanschluss
- 18201065 Perimeter- Abdeckrahmen
- 18201075 Blendrahmenverbreiterung
- 182020 Lichtschächte
- 18202005 Lichtschächte
- 18202010 LS- Aufsatz
- 18202012 LS- Aufstockelement
- 18202015 LS-Abdeckung
- 18202020 Lichtschachtrost
- 18202022 Zubehör Lichtschachtrost
- 18202025 LS- Spachtelmasse
- 18202027 Montageset
- 18202030 LS- Schmutzsieb
- 18202040 LS-Entwässerungsanschluß
- 18202042 LS Verschlußbauteil
- 18202045 LS-Aussteifungsrahmen
- 18202050 LS- Lüftungsaufsatz
- 18202052 LS- Rückfluss-STOP
- 18202055 Abstandhalter
- 18202070 LS- Montagedämmplatte
- 18202075 Zubehör LS- Montagedämmplatte
- 18202080 Hinterfüllplatte
- 182022 Großlichtschächte
- 182025 Lüftungsschacht
- 1825 Verglasung
- 1830 Dachflächenfenster
- 1840 Türen
- 1870 Bauelemente
- 187005 Lichtkuppeln, Dachausstieg
- 187025 Systemtreppen
- 18702510 Dachbodentreppen
- 18702515 Lukenschutzgeländer
- 18702520 Rahmen und Deckel Durchstiegstreppen
- 18702525 Höhenerweiterung-Treppe
- 18702540 Elementtreppe Holz Gerade
- 18702545 Elementtreppe Holz gewendelt
- 18702560 Elementtreppe Stahl gerade
- 18702565 Elementtreppe Stahl gewendelt
- 18702570 Spindeltreppe Stahl
- 18702580 Treppen-Handlauf
- 18702585 Treppen-Geländer
- 187090 sonstige Einbauteile
- 1875 Beschläge u. Zubehör
- 1805 Farben, Lacke, Holzschutz
- 20 Aussenanlagen, Garten
- 2005 Pflaster, Platten und Bordsteine
- 200510 Natursteinplatten
- 200520 Betonplatten
- 200540 Betonpflastersteine
- 200560 Mauer- und Böschungssteine
- 200570 Mörtel, Fugen, Zubehör
- 20057005 Bettungsmörtel Pflaster
- 20057010 Fugensand
- 20057015 Pflasterfugenmörtel
- 20057020 Pflasterklebemörtel
- 20057030 Fugenkreuz Betonplatten
- 20057035 Abstandhalter Betonplatten
- 20057040 Auflagerplatten
- 20057045 Auflager Zubehör
- 20057050 Natursteinsilikon
- 20057060 Steinimprägnierungs-/Pflegemittel
- 20057065 Steinreinigungsmittel
- 20057070 Polierpulver Naturstein
- 20057075 Steinfestiger
- 2010 Grünanlagen
- 201005 Gestaltungselemente
- 201010 Aussenmöbel
- 201030 Rasenflächenbefestigung
- 20103005 Rasengitterstein Beton
- 20103010 Rasengitter
- 20103015 Ankerhaken Rasengitter
- 20103045 Parkplatzmarkierung (Rasenwabe)
- 20103050 Erdnagel
- 20103055 Mähkante
- 20103060 Raseneinfassungsstein
- 20103065 Splittstabilisierungsmatte
- 20103070 Rasenkante Metall Längsprofil
- 20103072 Rasenkante Metall Rundprofil
- 201035 Baumschutz
- 2020 Zäune
- 2025 Schüttgüter Garten, Bepflanzung
- 2030 Aussenanlagen Zubehör
- 2005 Pflaster, Platten und Bordsteine
- 22 Heizung, Sanitäre, Lüftung, Elektro
- 2210 Sanitärinstallation
- 221010 Abwasser Sanitärabflüsse
- 22101005 Bodenablaufelement
- 22101010 Fußbodenablaufelement
- 22101012 Edelstahl- Ablauf- Rost
- 22101030 Siphon
- 22101050 Badablauf
- 22101052 Aufstockelement Abläufe
- 22101057 Aufsatz Dachablauf
- 22101060 Roste/Deckel Abläufe
- 22101062 Terrassenablauf/ Dachablauf
- 22101065 Aufsatz
- 22101067 Dachablaufheizung
- 22101070 Kellerablauf
- 22101072 Isolierkörper Ablauf
- 22101075 Balkonablauf
- 22101080 Stutzen (Ablauf)
- 22101085 Verlängerung (Stutzen)
- 22101090 Rückstauverschluss
- 22101092 Zubehör Rückstauverschluss
- 221015 Abflussrohre
- 221020 Wasserzuleitung Kunststoff
- 22102005 Kunststoffrohrleitungssystem (Druckrohre)
- 22102010 Reduktion
- 22102015 Abzweiger (Druckrohr)
- 22102020 Druckrohr- Kupplung
- 22102025 Druckrohrbogen
- 22102030 T-Stück (Druckrohr)
- 22102035 Winkel
- 22102040 Anschlussverschraubung (Klemmfitting)
- 22102042 Dichtungsring Wasserzuleitung
- 22102045 Druckrohranschlußstück
- 22102050 Muffe
- 22102055 Druckrohr- Endkappe
- 22102060 Wandscheibe Druckrohr
- 22102065 Rohrschellen, Anbohrschellen (Wasser)
- 22102070 Vorschweißbund
- 221025 Trinkwasserbehälter, Hydranten
- 221030 Trinkwasser - Armaturen und Einbauteile
- 221040 Be-/Entlüftung
- 221045 Zubehör Heizung, Be-/Entlüftung
- 221010 Abwasser Sanitärabflüsse
- 2220 Rohrisolierungen
- 2250 Elektro - Installationsmaterial
- 2260 Elektro - Zubehör
- 2270 WC- Elemente
- 2210 Sanitärinstallation
- 24 Bauchemische Produkte
- 2405 Schaum und Dichtstoffe
- 2410 Abdichtungs-Klebetechnik
- 2415 Reinigung, Sonstige bauchemische Produkte
- 26 Werkzeug, Baustelleneinrichtung, Befestigung
- 2605 Aufstiegshilfen
- 2610 Transport, Sicherung
- 2620 Handwerkzeuge
- 262005 Zangen, Scheren
- 262015 Kellen, Spachteln, Maurerwerkzeug
- 26201505 Maurerkelle
- 26201510 Putzkelle
- 26201512 Zahnspachtel
- 26201515 Katzenzunge
- 26201518 Fugenglätter
- 26201522 Fugenkratzer
- 26201530 Inneneckspachtel
- 26201535 Außeneckspachtel
- 26201537 Mörtelschlitten/Walze
- 26201538 Mauer-Anlegehilfe
- 26201540 Glättkelle (Traufel)
- 26201545 Schweizer Traufel (Aufziehglätte)
- 26201550 Reibebretter
- 26201560 Schwammbretter
- 26201562 Schwamm
- 26201565 Gipserspachtel
- 26201575 Malerspachtel
- 26201578 Schraubgriffspachtel mit Bit
- 26201580 Abschaberspachtel
- 26201582 Breitspachtel
- 26201586 Plankelle
- 26201587 Mörtelpfanne/Gipserpfanne
- 26201595 Flächenspachtel
- 26201598 Einbau-/Portionierhilfe
- 262017 Malerwerkzeuge, Pinsel
- 262020 Messer, Schraubendreher/-schlüssel
- 262025 Hammer, Hacke, Beil
- 262030 Sägen, Hobel, Raspeln, Feilen, Bohrer
- 262040 Schaumpistolen ,Handpressgeräte, Injektionen
- 262045 Meissel, Brecheisen, Keile, Trenngeräte
- 262050 div. Handwerkzeug
- 26205005 Werkzeugkasten
- 26205017 Rohrschneider
- 26205020 Ersatzmesser Rohrschneider
- 26205022 Spannbackeneinsätze Rohrschneider
- 26205024 Anschrägewerkzeug
- 26205033 Schneide und Schleifwerkzeug für Fensterbankeinbau
- 26205035 Stachelwalze
- 26205040 Rosthaken
- 26205045 Schacht-Öffnungswerkzeug
- 26205052 Montageschlüssel Kanalrohre
- 26205055 Montagestange Entwässerungsrinnen
- 26205057 Montagegerät für Kabelkanal- Halbrohre
- 26205060 Montageset für Sockelprofile
- 26205065 Handstampfer - Verdichter
- 26205067 Setzwerkzeug Schraub- Dübel, WDVS-Dübel
- 26205070 Rakel
- 26205080 Drahtbürste
- 2630 Messwerkzeuge und -Geräte, Latten
- 2635 Arbeitsschutz, Abdeckmaterial
- 263505 Arbeitsschutz
- 263510 Arbeitsbekleidung, Zubehör
- 26351005 Latzhose
- 26351006 Arbeitsshorts, Leggings
- 26351007 Arbeitshose
- 26351008 T-Shirt, Arbeitshemd, Poloshirt
- 26351010 Arbeitsjacke
- 26351015 Arbeits-Overall
- 26351025 Überziehschuhe
- 26351030 Werkzeugtasche
- 26351040 Werkzeug-Gürteltasche
- 26351045 Nageltasche (Gürteltasche)
- 26351050 Arbeitshandschuhe
- 26351055 Knieschoner
- 26351060 Verdichtungs-Schuhe
- 26351082 Rucksack
- 263540 Abdeckmaterial
- 2640 elektrische und motorisierte Werkzeuge
- 2645 Bohrer, Trenn-, Schleifmittel
- 2650 maschinelle Bauwerkzeuge / Geräte
- 2655 Baustellenzubehör, Absicherung
- 265505 Besen, Schaufeln, Rechen, Wasserschieber etc.
- 265510 Folien, Matten, Packmaterial
- 265515 Absperrungen, Schilder
- 265545 Eimer, Tröge
- 265555 Elektroversorgung, Kabel, Stecker
- 265560 Schläuche und Schlauchverbinder
- 265565 Werkstattausstattung, Mobiliar
- 265570 Reinigungsmaterial, Hautschutz
- 265580 Streumaterial
- 2660 Befestigungstechnik
- 266005 Nägel
- 266007 Tacker, Klammergeräte, Schußnägel, Draht
- 266010 Schrauben
- 26601005 Gewindestangen
- 26601007 Metallschraube
- 26601008 Torbandschraube
- 26601013 Muttern (Kunststoff)
- 26601015 Beilagscheiben
- 26601025 Holzschrauben
- 26601027 Doppelgewindeschrauben
- 26601030 Schnellbauschrauben
- 26601032 Schrauben Trockenestrich
- 26601034 Gipskartonschrauben
- 26601035 Flachkopfschrauben
- 26601040 Betonschraube
- 26601042 Schrauben Porenbeton
- 26601050 Blechschrauben, Bohrschrauben
- 26601070 Ringschraube (nicht Gerüst)
- 26601080 Fassadenschrauben
- 266015 Nieten
- 266020 Dübel
- 26602010 Universaldübel
- 26602012 Langschaftdübel
- 26602020 Stahldübel
- 26602025 Hohlraumdübel
- 26602030 Spreizdübel
- 26602035 Spreizdübel Metall
- 26602040 Metallschlagdübel
- 26602047 Dübelset mit Befestigungsteller
- 26602050 WDVS-Befestigungsteller
- 26602052 WDVS Klebe- Anker ( Fassadendämmplatten)
- 26602055 WDVS Abstandsmontagesystem
- 26602057 WDVS-Dübelkappe
- 26602060 WDVS Dämmstoffdübel
- 26602062 WDVS Montagepunkt
- 26602065 Spiraldübel
- 26602066 Rahmendübel
- 26602068 Fassadendübel
- 26602070 Porenbeton-Dübel
- 26602075 Dämmplattenhalter
- 266022 Befestigungs- Mörtel
- 266025 Anker, Bänder
- 266030 Winkel, Schuhe, Verbinder
- 28 Logistik, Gerät, Subunternehmer, Sonstiges
- 30 Erneuerbare Energie
Strassen-/Hofablaufkasten komplett






